¿²²°Àî»ÔÅÀÌî3¤ÎÄÂÂß
¿²²°Àî»ÔÅÀÌî3¤ÎÂߤ·ÁÒ¸Ëʪ·ï ¾ÜºÙ
¤³¤Îʪ·ï¾ðÊó¤Ï¡Ú¡Û¤ËºîÀ®¤µ¤ì¤¿¤â¤Î¤Ç¤¹¡£













¿²²°Àî»ÔÅÀÌî3ÃúÌÜ
»ö̳½ê¥¹¥Ú¡¼¥¹¤ÎͤëÂç·¿¹©¾ì¡¦ÁҸˤΤ´¾Ò²ð¤Ç¤¹¡£
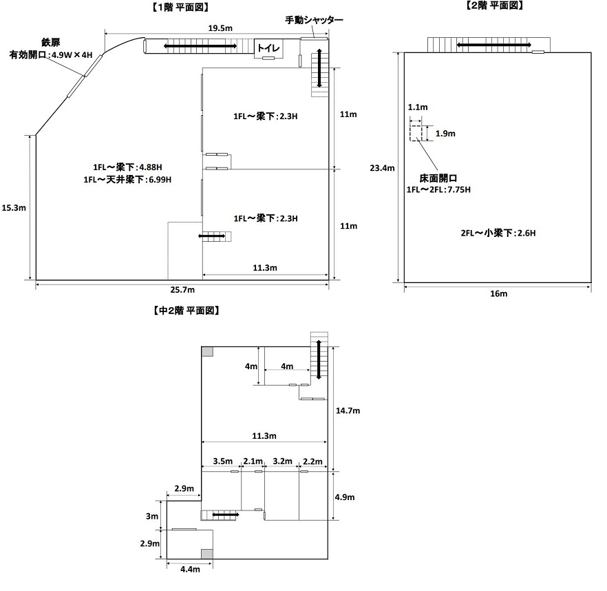
±ä¤ÙÌÌÀÑ¡¡1,200.09Ö¡Ê363.02ÄÚ¡Ë
1³¬-552.78Ö¡Ê167.21ÄÚ¡Ë
Ãæ2³¬-265.71Ö¡Ê80.37ÄÚ¡Ë
2³¬-381.60Ö¡Ê115.43ÄÚ¡Ë
1³¬¤ÎÅ·°æ¹â4.88¡Á6.99£í
¥È¥¤¥ìÀßÃֺѤߤǤ¹¡£
¸½¾õͻѤǤΰúÅϤ·¤Ë¤Ê¤ê¤Þ¤¹¤Î¤Ç¡¢¤Þ¤º¤Ï¤´ÆâÍ÷¤ª´ê¤¤¤·¤Þ¤¹¡£
| À®Ìó¾õ¶· | |
|---|---|
| Ä¡¡ÎÁ | - |
| ´ÉÍýÈñ¡§-¶¦±×Èñ¡§- | |
| Éß¶â¡§-¡ÃÎé¶â¡§- | |
| Êݾڶ⡧-¡Ã²òÌó°ú¡§- | |
| ÄÚ¡¡¿ô | 363.02ÄÚ¡¡·úʪÌÌÀÑ¡§1200.09m2 |
| È÷¹Í | ¡Ý |
|---|
| ½êºßÃÏ | ¿²²°Àî»Ô ÅÀÌî3 google¥Þ¥Ã¥×¤Ç¤ß¤ë |
|---|---|
| ¸òÄÌ | µþºåËÜÀþ ¡Ö¿²²°Àî»Ô±Ø¡×±Ø ¡Ý ¡Ý |
| ʪ·ï¹½Â¤ | Å´¹ü | ʪ·ï³¬ÁØ | 2³¬·ú |
|---|---|---|---|
| ʪ·ï¼ïÊÌ | ¹©¾ì | ´°À®Ç¯·î | 1968ǯ10·î |
| ÍÑÅÓÃϰè | ½à¹©¶ÈÃϰè | ||
| ʪ·ïÀßÈ÷ | ¥·¥ã¥¿¡¼¥È¥¤¥ìÅŵ¤¾å¿åÆ»¸ø¶¦²¼¿å ¡Ý | ||
| ʪ·ïÈÖ¹æ | US1-05498 |
|---|---|
| ¥µ¥¤¥È̾ | Âçºå¤ÎÂßÁҸˡ¦Âß¹©¾ì¡¦ÇäÇã |
072-737-6699
½êºßÃÏ¡§ÂçºåÉÜ̧ÌÌ»Ô̧ÌÌ1-9-21
¥¢¥¯¥»¥¹¡§ºåµÞ̧Ì̱ؤè¤êÅì¤ØÅÌÊâ2ʬ¡ª±ØÁ°¥í¡¼¥¿¥ê¡¼¤è¤ê¥¹¥°ÌܤÎÁ°¡ª
06-6657-7090
½êºßÃÏ¡§ÂçºåÉÜÂçºå»Ô½»Ç·¹¾¶èÆî²Ã²ì²°2-8-25¥»¥¸¥å¡¼¥ë24 1³¬
¥¢¥¯¥»¥¹¡§Âçºå¥á¥È¥í½»Ç·¹¾¸ø±à±Ø4Èֽиý¿·¤Ê¤Ë¤ï¶Ú¤òÅϤäƥ¹¥°
»÷¤¿Êª·ï¤òõ¤·¤¿¤¤¡¢ºÇ¿·¤Îʪ·ï¾ðÊó¤òÃΤꤿ¤¤¡¢´õ˾¤Îʪ·ï¾ò·ï¤Ç¸«¤Ä¤±¤ÆÍߤ·¤¤¡¢¤Ê¤É¤ªµ¤·Ú¤Ë¤ªÌ䤤¹ç¤ï¤»²¼¤µ¤¤¡£